En vedette
Dernières nouvelles
Les cougars de Los Angeles menacés par la fréquence accrue des feux de forêt
Ils sont majestueux, puissants, et vivent dans les collines qui surplombent Los Angeles: non, ce ne sont pas les stars d'Hollywood, mais les derniers cougars de la ville, dont la survie est mise en danger par la fréquence accrue des feux de forêt induite par le changement climatique.
L'agence spatiale européenne (ESA) va lancer deux missions scientifiques avec Space X
L'agence spatiale européenne (ESA) prévoit de lancer deux missions scientifiques avec la fusée Falcon 9 de Space X, en raison de l'interruption des tirs des lanceurs russes Soyouz de Kourou et du retard pris par Ariane 6, a annoncé jeudi son directeur général.
Mondial-2022: neutre en carbone ou "aberration écologique", un bilan climatique en question
Ses organisateurs promettent d'en faire un tournoi neutre en carbone mais la Coupe du monde de football au Qatar, qualifiée d'"aberration écologique" par ses détracteurs, s'annonce beaucoup plus nocive pour le climat que prévu.
Le premier vol d'Ariane 6 désormais prévu au dernier trimestre 2023
L'horizon se dégage pour Ariane 6: le vol inaugural du lanceur, qui porte les ambitions européennes d'accès indépendant à l'espace, est désormais programmé pour le quatrième trimestre 2023, sous réserve que la campagne d'essais se déroule comme prévu.
Plus grandioses que jamais, les "Piliers de la création" capturés par le télescope James Webb
C'est l'image que beaucoup attendaient, aussi majestueuse qu'espérée. Le télescope James Webb a révélé mercredi son premier cliché des emblématiques "Piliers de la création", d'immenses structures de gaz et de poussière regorgeant d'étoiles en formation.
Ski: la nouvelle étape Zermatt/Cervinia, "non-sens" à plus d'un titre, déplore Johan Clarey
"Cette course est un non-sens", notamment écologique, a déploré mercredi auprès de l'AFP le vice-champion olympique de descente Johan Clarey à propos des nouvelles étapes de la Coupe du monde de ski alpin prévues les 29-30 octobre et 5-6 novembre au pied du Cervin, entre la Suisse et l'Italie.
Le réchauffement climatique pourrait provoquer un "débordement viral" depuis l'Arctique
Le réchauffement climatique pourrait provoquer un "débordement viral" depuis l'Arctique, où des virus jusqu'ici préservés dans la glace pourraient entrer en contact avec de nouveaux hôtes dans d'autres environnements, selon une étude publiée mercredi.
Le réchauffement climatique pourrait provoquer un "débordement viral" depuis l'Arcticque
Le réchauffement climatique pourrait provoquer un "débordement viral" depuis l'Arctique, où des virus jusqu'ici préservés dans la glace pourraient entrer en contact avec de nouveaux hôtes dans d'autres environnements, selon une étude publiée mercredi.
Météo: près de 34 degrés dans le Sud Ouest, températures estivales mercredi
Le thermomètre a flirté avec les 34 degrés mardi dans le Sud-Ouest, qui connaît actuellement un épisode de "chaleur remarquable" pour un mois d'octobre, selon Météo France.
En Irak, un "parc archéologique" abritant des bas-reliefs de 2.700 ans
Les autorités du Kurdistan autonome, dans le nord de l'Irak, ont dévoilé dimanche la première phase d'un "parc archéologique" abritant des vestiges vieux de 2.700 ans: d'imposants bas-reliefs sculptés sur les parois d'un canal d'irrigation de l'époque assyrienne.
Chine: Xi ouvre le congrès du PCC en défendant son bilan anti-Covid et anti-corruption
Le président Xi Jinping a défendu sa politique draconienne de lutte contre le Covid-19 et son offensive contre la corruption en ouvrant dimanche le congrès du Parti communiste chinois (PCC), qui devrait lui confier dans une semaine un troisième mandat historique à la tête du pays.
La goélette scientifique Tara de retour en France après un périple de 70.000 km
Après 70.000 km autour du globe, la goélette Tara est arrivée samedi en France, avec des milliers de prélèvements de micro-organismes dont l'analyse doit permettre de mieux comprendre le fonctionnement du plancton océanique.
Des astronomes fascinés par le flash de lumière spatiale le plus brillant jamais observé
Des astronomes ont observé le flash de lumière le plus brillant jamais observé, émis à une distance de 2,4 milliards d'années-lumière de la Terre et ayant probablement été provoqué par la naissance d'un trou noir.
Un an après son big bang, Meta encore loin de convaincre sur le métavers
Un an après sa transition de Facebook à Meta, le géant des réseaux sociaux se démène pour cultiver la flamme du métavers au-delà des passionnés, promettant des équipements plus sophistiqués, des revenus pour les créateurs et des jambes pour les avatars.
Néandertal et Homme moderne ont co-existé en Europe sur plus de 2.000 ans
Néandertal a co-existé avec l'humain moderne à plusieurs endroits de la France actuelle et du nord de l'Espagne sur plus de 2.000 ans, pendant lesquels ces deux branches humaines ont eu le temps de se mélanger, selon une modélisation basée sur des découvertes fossiles.
Le premier touriste spatial veut retourner dans l'espace avec SpaceX
Le premier touriste spatial de l'Histoire a déclaré mercredi qu'il comptait participer avec sa femme à une future mission autour de la Lune organisée par l'entreprise américaine SpaceX.
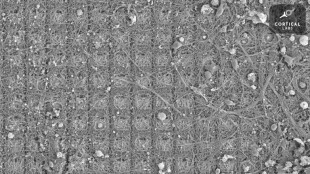
Des neurones doués de sensations ont appris à jouer à un jeu vidéo (étude)
Des neurones cultivés dans une boîte de Petri sont capables d'apprendre à jouer à Pong, le grand classique des jeux vidéo, faisant ainsi preuve d'un "comportement intelligent et doué de sensations", selon des chercheurs en neurosciences australiens.
Don de gamètes: 170 demandes d'accès aux origines effectuées dès le premier mois
La nouvelle commission qui doit permettre aux personnes nées d'un don de gamètes d'accéder à des informations sur leur géniteur a été saisie de 170 demandes dès son premier mois d'existence, a indiqué sa présidente mercredi lors d'une conférence de presse.
Une fusée japonaise s'autodétruit après l'échec de son lancement
Le lancement d'une fusée japonaise transportant plusieurs satellites a échoué mercredi en raison d'un problème de "positionnement" et l'engin a par conséquent reçu et appliqué un ordre d'autodestruction, a annoncé l'agence spatiale nippone Jaxa.
La Nasa a dévié un astéroïde de sa trajectoire dans un test de défense de la Terre
"Ce n'est pas Hollywood" mais la Nasa: l'agence spatiale américaine a annoncé mardi avoir réussi à dévier un astéroïde de sa trajectoire en projetant, fin septembre, un vaisseau de la taille d'un gros réfrigérateur contre sa surface.
Le Nobel d'économie à trois experts des crises bancaires, dont l'ex-chef de la Fed Bernanke
Il était un des grands visages de la crise financière de 2008: le prix Nobel d'économie a été décerné lundi à Ben Bernanke, l'ancien président de la banque centrale américaine (Fed) et ses compatriotes Douglas Diamond et Philip Dybvig, pour leurs travaux sur les banques et leurs sauvetages nécessaires durant les tempêtes financières.
Canicules: des régions entières vont devenir invivables au cours des prochaines décennies
Des régions entières du globe vont devenir invivables au cours des prochaines décennies en raison des vagues de chaleur qui seront plus fréquentes et plus intenses sous l'effet du changement climatique, ont averti l'ONU et la Croix-Rouge lundi.
Face au réchauffement climatique, l'Egypte, "dernier refuge des coraux"
Le long de la côte égyptienne, une longue barrière de corail brille de mille couleurs. Ici, en mer Rouge, s'étend ce qui pourrait devenir "le dernier refuge de coraux" au monde, observent des chercheurs.
Bruno Latour, penseur de la crise écologique
Anthropologue du monde moderne, Bruno Latour, décédé dans la nuit de samedi à dimanche à l'âge de 75 ans, avait développé une réflexion brillante sur la crise écologique et la manière dont l'humanité peut y faire face.
Moins énergivore, l'avenir de la blockchain Ethereum reste semé d'embuches
Ethereum, la deuxième "blockchain" la plus importante dans le monde des cryptomonnaies après celle utilisée pour les bitcoins, a réussi à se transformer pour réduire drastiquement son impact environnemental, mais selon des spécialistes, ce changement pourrait être lourd de conséquences.
Des scientifiques atteignent le plus grand arbre de l'Amazonie
Après trois ans de planification, cinq expéditions et une randonnée de deux semaines dans la jungle, une équipe de scientifiques a atteint le plus grand arbre jamais découvert dans la forêt amazonienne, un spécimen imposant de la taille d'un immeuble de 25 étages.
Un passionné de mécanique fait naître à Lomé la première voiture "Made in Togo"
Dans son petit atelier à Lomé, Sourou-Edjareyo Malazoué poursuit son rêve: devenir le premier concepteur automobile de son pays. Hier, il construisait le prototype de sa première voiture "Made in Togo" avec les moyens du bord. Aujourd'hui, il fignole un tricycle solaire.
Une cosmonaute russe transportée par SpaceX est arrivée dans la Station spatiale internationale
La cosmonaute russe Anna Kikina et trois autres membres d'équipage sont arrivés jeudi dans la Station spatiale internationale, après avoir voyagé à bord d'un vaisseau de l'entreprise américaine SpaceX.
L'idotée, le crustacé "pollinisateur des mers"
La pollinisation est-elle née sur terre avec les abeilles ou des millions d'années plus tôt, au fond des océans ? La découverte du rôle de l'idotée, un crustacé marin, dans la fécondation des algues rouges, chamboule la connaissance des interactions entre animaux et végétaux.
Annie Ernaux, autrice de l'intime devenue icône des féministes
En récompensant Annie Ernaux, le comité Nobel célèbre une oeuvre autobiographique au long cours mais aussi une autrice qui se revendique de gauche et qui est devenue une référence pour les féministes.
Carolyn Bertozzi, Nobel 2022, met sa chimie au service de la santé
"Des choses un peu folles", voilà comment Carolyn Bertozzi, tout juste récompensée d'un prix Nobel, qualifie ce à quoi elle a consacré sa carrière. "Faire de la chimie dans les cellules et les gens."
Le Nobel pour la "chimie click", avec un rarissime double lauréat
Ils ont ouvert de nouveaux domaines avec un "Lego" de la chimie: le prix Nobel de chimie a sacré mercredi le Danois Morten Meldal, l'Américaine Carolyn Bertozzi et son compatriote Barry Sharpless, qui réussit l'exploit rarissime de décrocher un deuxième Nobel avec 21 ans d'écart.